联系我们
地址:重庆市南岸区南坪西路3号9-24号
电话:023-62943142
手机:18983717889
传真:023-62986455
邮箱:1049418943@qq.com
Q Q:1049418943   349759778
网址:http://www.华霖市政.com/
公司地图
客户服务 当前位置:首页>客户服务>热沙龙三集一体热泵介绍
热沙龙三集一体热泵介绍
来源:重庆华霖市政工程有限公司    点击:1939 时间:2014-12-30 22:27:19

                             热沙龙三集一体热泵介绍

一.泳池恒温除湿热泵概述

泳池专用热泵型恒温除湿机利用“空调”原理,将空气或水中的能量“转移”到水中,从而达到将水加热的目的。由于热泵只消耗自身运行能量,把外界能量“转移”到水中,因此做到了高效节能。泳池专用热泵型恒温除湿机的运行成本仅为燃气锅炉的50%,(直接)电加热器的30%。

泳池专用热泵型恒温除湿机以电为驱动力,无需烟囱,可按您的要求安置于室内、室外、地面或者天花等任何空间,摒弃了传统加热锅炉会爆炸的安全隐患、烟尘和噪音污染、安装位置和外观要求限制,以及由此带来的审批繁锁等诸多局限。


二.“热沙龙”泳池恒温除湿热泵(三集一体)在室内游泳池中的应用

(一)、一般游泳池区空调、除湿和池水加热易存在的问题

对于健康游泳池,日常能源消耗主要是空调夏季制冷冬季供热和池水加热所消耗的费用,因此选择合适的空调和池水加热系统十分重要。针对泳池区空调和水加热部分的设计,普遍会存在以下问题:

1、危害身体健康:由于泳池区有大量水分蒸发,氯气挥发,使空气中水蒸气含量、氯含量提高,严重影响游泳者的身体健康。

2、除湿问题严重:空调设计过程除了满足室内的空气要求外,对湿度的调节更为重要。泳池区是高湿环境,再加上空气中水蒸气含量、氯含量高,易产生细菌、霉菌、病毒的大量繁殖,极易破坏室内空气质量和装饰材料,除湿过程是全年游泳馆的主要问题。

3、运行费用高昂:针对营业性场所,今后日常运行费用的高低很大程度上决定了项目的利程度,传统的空调和水加热不能做到能源综合利用,会有大量耗费,造成的浪费是惊人的。

4、配置设备繁多,操作困难:传统安装配置的空调加热设备繁多,操作工人需对大量的设备熟练操作,一是对操作工要求高,二是设备分散,操作困难,能源浪费。

二)、泳池恒温除湿热泵创建高档舒适泳池环境

室内游泳馆抽湿要求非常严格,对此,除湿热泵专为解决室内游泳馆有关问题而设计制造,集池水加热、除湿及空气调节三项功能于一体,保持室内游泳池恒温恒湿,能源损耗远较其它方法为低。另外,泳池专用热泵型恒温除湿机设计制造多种型号室内泳池热泵,根据您的实际要求,尽量考虑能源综合利用,做适合您的泳池。

1.健康舒适泳池:室内泳池在水质、温湿度、照明、刺激性气味等方面均达到人体舒适度要求,体现其高档水平。

优质的水质水色给人以非常大的舒适感。当泳池水质须达到晶莹体透,这需要进行水质臭氧化处理和光线的配合。水处理时,加入少量次氯酸钠有利于保持水质晶莹剔透。对高档泳池有臭氧化处理和脱臭氧装置,可使水体中次氯酸钠的量大大减少,这样可以有效地降低室内空气中的氯气含量,减少氯味对人体的刺激。

2.节能泳池:在冬季,为避免采用普通通风方式造成的能量大量浪费,采用泳池专用热泵型恒温除湿机泳池集池水加热、除湿及空气调节三项功能于一体,并且能够使室内空间湿度控制在人体最舒适的55~70%范围内,而对于室内泳池池水温度一般控制在26~28℃(《游泳池和水上游乐池给水排水设计规程》规定),空气温度则比水温高出1~2℃。

3、智能化泳池:全自动运行,管理方便。采用混合型“三合一” 泳池专用热泵型恒温除湿机,可以使会所泳池区单独管理,单独满足室内恒温池四季空调需要,极大方便了设备运行的管理。热泵控制部分主要有水温控制器、室温控制器和湿度控制器。自动控制系统可实现自动化远程控制,可随心随意的设置室内温湿度和池水温度,已达到使用要求,并且露点温度传感器的使用尽可能避免室内玻璃窗和外墙的结露。

总之,在室内泳池各不同位置,从人体五官感受的适应性考虑,泳池专用热泵型恒温除湿机泳池每一处都为泳者考虑,以品质、表现及节能的设计理念,为您带来日臻完美的室内泳池,让您的投资不只是带来丰厚的回报,更是一种享受生活的全新体验!


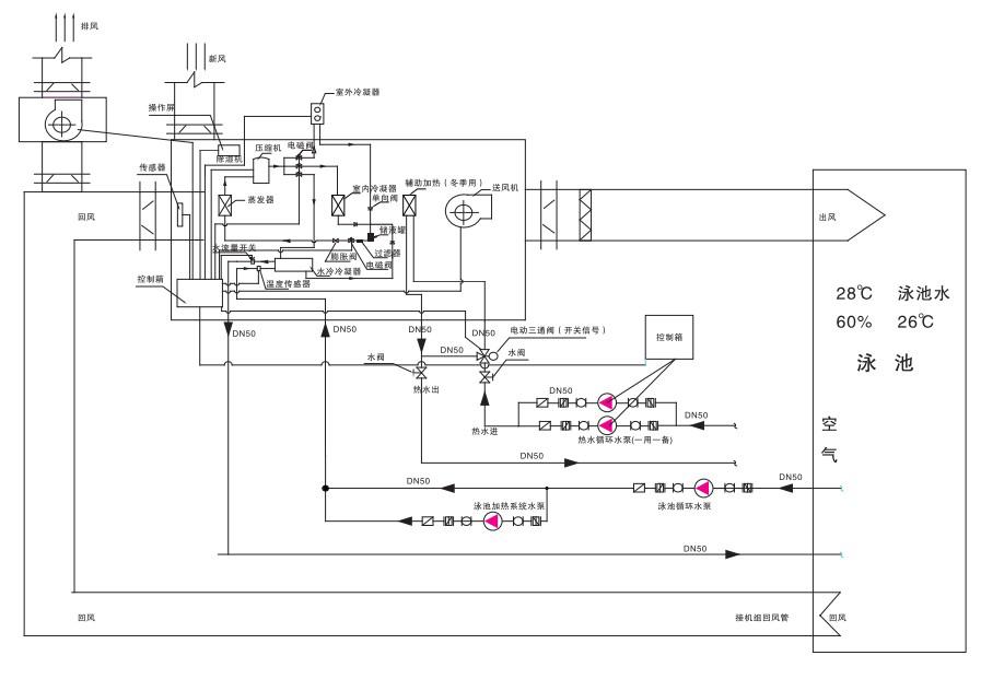
三、“热沙龙”三集一体热泵工作原理及其运行说明

热沙龙”三集一体热泵的工作原理

三集一体热泵系列是专门针对室内游泳池开发的产品,它集空调、除湿和池水加热于一体,大量回收并综合利用能量,克服高湿、高氯环境等诸多问题,通过春夏秋冬季节运行模式的改变,达到高效节能的运行,其工作原理如下:

热沙龙”三集一体热泵的工作原理,简言之,即是将池水表面蒸发热损回收利用,转移入池水和空气中,弥补池水和空气热损,同时实现空气调节除湿功能。其工作程序大致可分为两步:

第一步,暖湿空气流经热管热交换器下部及蒸发器,温度下降,暖水汽凝结成冷水滴从空气中分离出来,使空气干爽,实现空气除湿功能;同时,空气冷却、水汽凝结及冷却过程中释放出的热能被冷媒吸收。

第二步,冷媒吸收的热能,首先经热交换器加热池水,实现池水加热功能;余热经热管热交换器上部及空气冷凝器,加热冷却的空气,实现空气保温功能。

由于热能会经墙壁窗户等传导及换新风流失,当泳池专用热泵型恒温除湿机所产生的热能不足以满足要求时,由辅助空气加热器补充提供室内暖气所需的热能即可。只需提供其本身的运行电能,泳池专用热泵型恒温除湿机即能按上述工作程序不断循环运行,以较低的能耗,实现“池水加热、空调、除湿”三大功能的和谐平衡。

三集一体几种特殊的运行工况:

(1)冬季的辅助加热器的分级配置。在冬季寒冷的季节里,环境温度较低情况下,热泵已经不能完全维持室内的恒温,需要依靠辅助加热来补充能量。

第一种是:利用在风管上安装电加热能直接加热空气,所配置的电加热器是根据室内的空气温度来逐级投加的,避免了设备投资或运行费用的浪费。

第二种是:利用在风管上安装表冷器来加热(制冷)空气,我们直接把热水(冷冻水)接入表冷器,通过热量的多级投加实现对空气的加热(制冷)。

(2)春秋季节的全新风运行模式。

这是泳池专用热泵型恒温除湿机专为过度季节设计的,当过渡季节户外空气的状态满足室内空气要求时(空气温度在15℃~26℃,相对湿度小于60%),就运行全新风运行模式,此时,只有热泵的两台风机在工作,因此,其节能是显而易见的。

四、泳池恒温除湿热泵机组结构特点

1、热泵压缩机。采用涡旋式压缩机,没有往复运动机构,结构简单、体积小、重量轻、零件少(特别是易损件少),可靠性高;运转平稳,操作简便,易于实现自动化在其适应的制冷量范围内具有较高的效率;噪音低。

2、压缩机制冷剂R-407C。压缩机工质采用R-407C ,百分之百无“氟”,不产生温室效应,不会破坏臭氧层;可以直接代替R22,可以使用矿物油等润滑油;能效比高,经过实验证明,它比传统制冷剂能节能12.5%至25%。

3、热泵热交换器。采用钛管热交换器,PVC外壳,并有相应的热交换器防腐措施,并有优质保修服务。

五、泳池恒温除湿热泵系统优势

1、环保安全。泳池专用热泵型恒温除湿机是优秀的环保产品,热泵机组完全采用先进的“谷轮” 涡卷式压缩机,电力驱动,无尾气排放。其运行噪音小,可以放置于户外,可避免燃油燃气所产生的尾气给环境造成的污染,去除了因液化石油气、柴油的存在引起会所的消防、爆炸隐患。

2、高效节能。热泵机组采用本公司多项专利技术,综合COP系数高,设备运行效率大大提高,其运行费用仅是直接燃电加热的1/4,热泵集除湿、空调、池水加热于一身,运行能源费用节省显著;与传统的通风除湿相比,平均节约费用40~60%。

3、结构耐氯气腐蚀。专业化的设计制造使泳池专用热泵型恒温除湿机可有效避免空气中少量余氯对空调主机的腐蚀。所有关键部件(压缩机、控制系统等)安装于和泳池回风分开的隔间内。机组外壳及结构都喷涂环氧树脂防腐蚀涂料,空气换热器喷涂防腐蚀材料,可选全铜盘管。

4、智能控制、管理方便。采用三集一体泳池专用热泵型恒温除湿机,可以使会所泳池区单独管理,单独计算运行费用,满足室内恒温池四季空调需要,并且全自动运行,管理方便。

5、技术先进。公司与美国知名泳池设备制造商合作,借鉴国外先进的技术开发理念,结合国内高校技术开发优势;不断开发出满足国内客户需求的新技术和新工艺。

6、性能稳定可靠。制冷系统、控制系统如压缩机、热力膨胀阀、电子电器等关键零部件均为进口产品,性能可靠